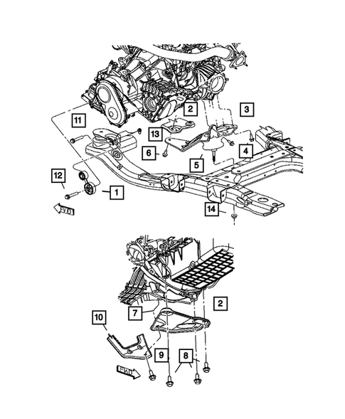
Engine Mounting for 2006 Chrysler Pacifica
Mopar Screw
M10X1.50X70.00. Engine Mount Bracket To Cylinder Block
Mopar Screw
M10x1.50x45.00. Power Transfer Unit To Transmission Bracket
Mopar Hex Head Bolt
M10x1.5x50. Structural Collar To Cylinder Block. Late Production
Mopar Hex Head Screw And Washer
M10x1.5x40. Engine Mount To Frame Rail
Mopar Bolt And Washer
M10x1.50x60.00. Support Braket to Body
Mopar Hex Head Bolt And Washer
M10x1.5x30. Balance Shaft Chain Tensioner To Cylinder Block
Mopar Hex Head Screw And Washer
M10x1.5x53. Sway Bar to Crossmember
Mopar Hex Head Bolt And Washer
M10x1.5x30. Balance Shaft Chain Tensioner To Cylinder Block
Mopar Hex Head Screw And Washer
M10x1.5x40. Engine Mount To Frame Rail
Mopar Bolt And Washer
M10x1.50x60.00. Support Braket to Body
Mopar Hex Flange Nut
M12x1.75. Engine Mount To Engine Mount Bracket
Mopar Hex Flange Head Bolt
M12x1.75x30. Strut Bracket To Cylinder Block
Mopar Hex Head Screw And Washer
M10X1.50X60.00. Hub and bearing to knuckle
Mopar Hex Head Screw And Washer
M10x1.50x30.00. Propshaft to Support Bracket
Mopar Bolt
M10X1.50X60.00. Hub and bearing to knuckle
Mopar Hex Head Screw And Washer
M12x1.75x30. Strut Bracket To Cylinder Block
Mopar Screw
M10X1.50X25.00. Strut Bracket To Cylinder Block
Mopar Hex Head Screw And Washer
M10x1.50x30.00. Propshaft to Support Bracket






