Radiator and Related Parts for 2006 Chrysler Pacifica
No.
Part # / Description / Price
N/A
Hex Head Bolt And Washer, Mounting
Mopar
Mopar Hex Head Screw And Washer
M8X1.25X25.00. Differential Support Bracket to Differential
1
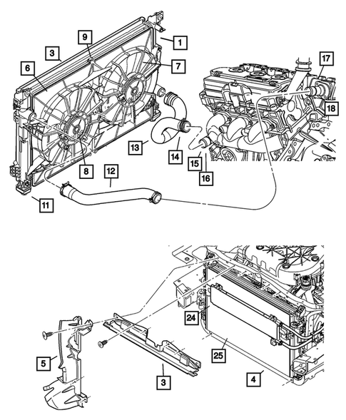
Engine Cooling Radiator
Mopar
Mopar NOTE:25 pc min Qty Mix and Match Pallet Program only, Use mopar.com to order, Magneti-Marelli Parts tab. Magneti-Marelli Offered By MOPAR, See Note.
1
Engine Cooling Radiator
Mopar
Mopar NOTE:25 pc min Qty Mix and Match Pallet Program only, Use mopar.com to order, Magneti-Marelli Parts tab
14
Water Inlet Tube O Ring
Mopar
MSRP $22.70 CAD
Mopar Water inlet tube seal. Also Included in Item #5. Also Included in Item #6.
15
Hex Head Bolt And Coned Washer, Mounting
Mopar
MSRP $13.10 CAD
Mopar Hex Head Screw And Washer
M8X1.25X20.00. Balance Shaft Assembly To Cylinder Block
22
Air Conditioning Condenser
Mopar
Mopar NOTE:25 pc min Qty Mix and Match Pallet Program only, Use mopar.com to order, Magneti-Marelli Parts tab
No.
Part # / Description / Price

