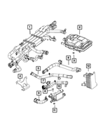
Battery Cooling for 2020 Chrysler Pacifica
No.
Part # / Description / Price
2
8
11
Hex Head Screw And Washer
Mopar
MSRP $4.95 CAD
Mopar Hex Flange Nut
M6X1.0X35.00. Power Steering Bracket to Front End Serpentine Module
No.
Part # / Description / Price
1
4
Hex Head Bolt And Coned Washer, Mounting
Mopar
MSRP $15.20 CAD
Mopar Hex Head Bolt And Coned Washer
M6x1.00x30.00. Front Support Bracket To Front Cover
5
8
No.
Part # / Description / Price
9
Transaxle
Mopar
MSRP $45.45 CAD
Mopar Coolant Hose
FOR VEHICLES BUILT PRIOR TO 11/28/2019 ORDER THE TWO NEW HEAT EXCHANGER HOSES. 68413378AA INLET HOSE AND 68425381AA OUTLET HOSE. ALWAYS REPLACE THE NINE (9) FLYWHEEL TO DAMPER BOLTS (68382486AA). Transmission Without PIM
No.
Part # / Description / Price
3
Windshield Reinforcement, Right
Mopar
MSRP $6.10 CAD
Mopar Screw
Bead Lock. Torx Head. Windshield to Cowl Panel. Reinforcement to Cowl. Cowl Panel attach. Reinforcement Attach.
5
Hex Head Screw And Washer, Mounting
Mopar
MSRP $4.30 CAD
Mopar Hex Head Screw And Washer
M6X1.0X20.00. Cover To Oil Pan
No.
Part # / Description / Price
4
No.
Part # / Description / Price
4





