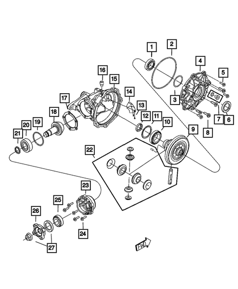
Front Axle Assembly for 2019 Dodge Charger
No.
Part # / Description / Price
No.
Part # / Description / Price
5
7
Hex Head Bolt And Washer, Mounting
Mopar
Mopar M8X1.25X25.00. Differential Support Bracket to Differential
1 This price excludes a refundable manufacturer's core charge. Add the part to your cart to see the core charge.

