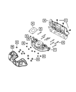
Manifolds and Vacuum Fittings for 2016 Fiat 500L
No.
Part # / Description / Price
7
Hex Flange Head Bolt, Mounting
Mopar
MSRP $3.40 CAD
Mopar M7X1.00X42.00. Intake Manifold To Cylinder Head Cover
8
Hex Flange Head Bolt
Mopar
Mopar Hex Flange Head Bolt, Mounting
M6x1.00x16.00. Engine Cover Bracket To Front Cover
21
Hex Flange Locking Nut, Mounting
Mopar
MSRP $2.85 CAD
Mopar M6x1.00. Turbocharger Heat Shield Isolator To Turbocharger
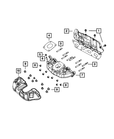
No.
Part # / Description / Price
1
Hex Flange Head Bolt, Mounting
Mopar
Mopar M6X.00X14.00. Exhaust Manifold Gasket To Turbocharger Heat Shield
3
5
Hex Flange Locking Nut, Mounting
Mopar
MSRP $2.85 CAD
Mopar M6x1.00. Turbocharger Heat Shield Isolator To Turbocharger
6
9

