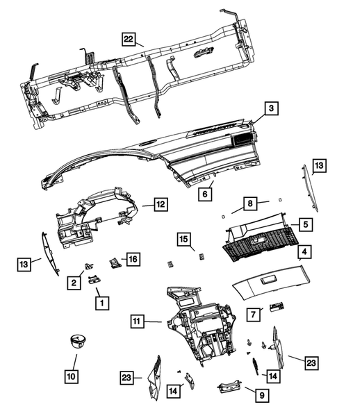
Instrument Panel for 2007 Chrysler Pacifica
No.
Part # / Description / Price
11
13
14
No.
Part # / Description / Price
N/A
N/A
Hex Nut-coned Washer Nut And Washer
Mopar
MSRP $18.25 CAD
Mopar M10 x 1.5. Mounts Seat Riser, Item 11, To Floor.
10
Smokers Package
Mopar
MSRP $125.00 CAD
Mopar Instrument Panel Ash Receiver
Consist of 04595665AB ASH RECEIVER ASSY - ASH RECEIVER CO 04685536 KNOB & ELEMENT ASSY - CIGAR LIGHTER

