Select a dealer

Mopar® Authentic Parts & Accessories

Find a Dealer
Hex Head Bolt - Mopar (06502874)

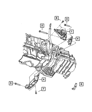
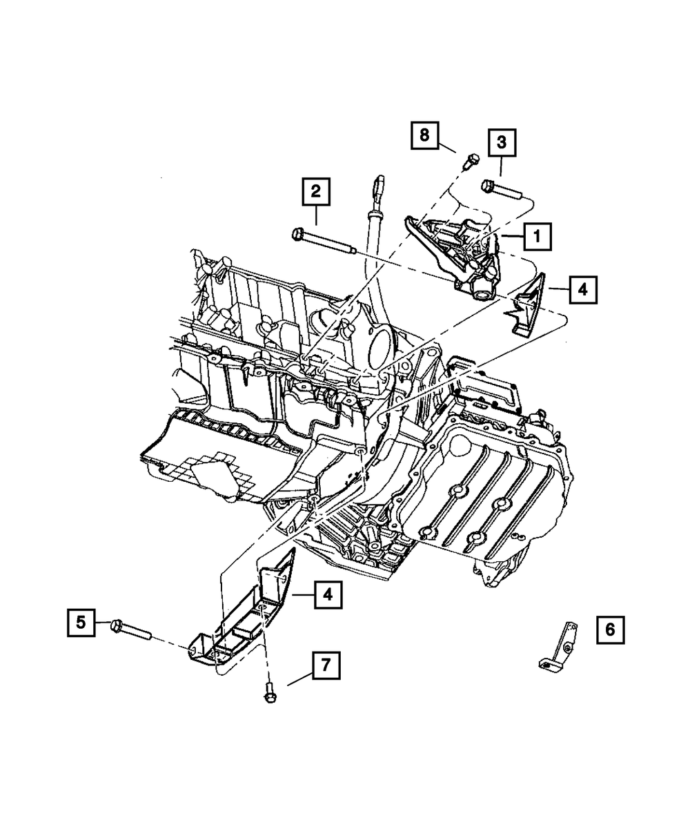
Part can be found as reference #2 in illustration

Hex Head Bolt - Mopar (06502874)

2001-2011 Mopar - 6502874

Details

  • Brand:

    Mopar Parts

  • SKU:

    06502874

  • Other Names:

    06502874, Bolt

  • Description:

    M12x1.75x120

  • Condition: New
  • Notes: Transmissions: Automatic 42rle transmission. 5-spd automatic 545rfe transmission. 6-speed manual getrag 238 trans. 4-speed automatic transmission. 4-speed automatic vlp transmission. 5-speed hd manual g288 transmission.
    Engines: 2.0l i4 dohc 16v smpi engine. 2.4l i4 dohc 16v ho turbo engine. 2.4l i4 dohc 16v smpi engine. 2.4l i4 dohc 16v turbo engine.
Invalid Postal Code

Vehicle Fitment

Vehicle Fitment
Year Make Model Body & Trim Engine & Transmission
( more fitments)
No fitment data available